DGRLT75 1500mm 5KN High Speed Servo Electric Linear Actuator for Solar Tracking System
Electric linear actuators help maximize the efficiency of solar panels. DGR solar tracking actuators are equipped with ball screws for longer life at continuous duty cycles.
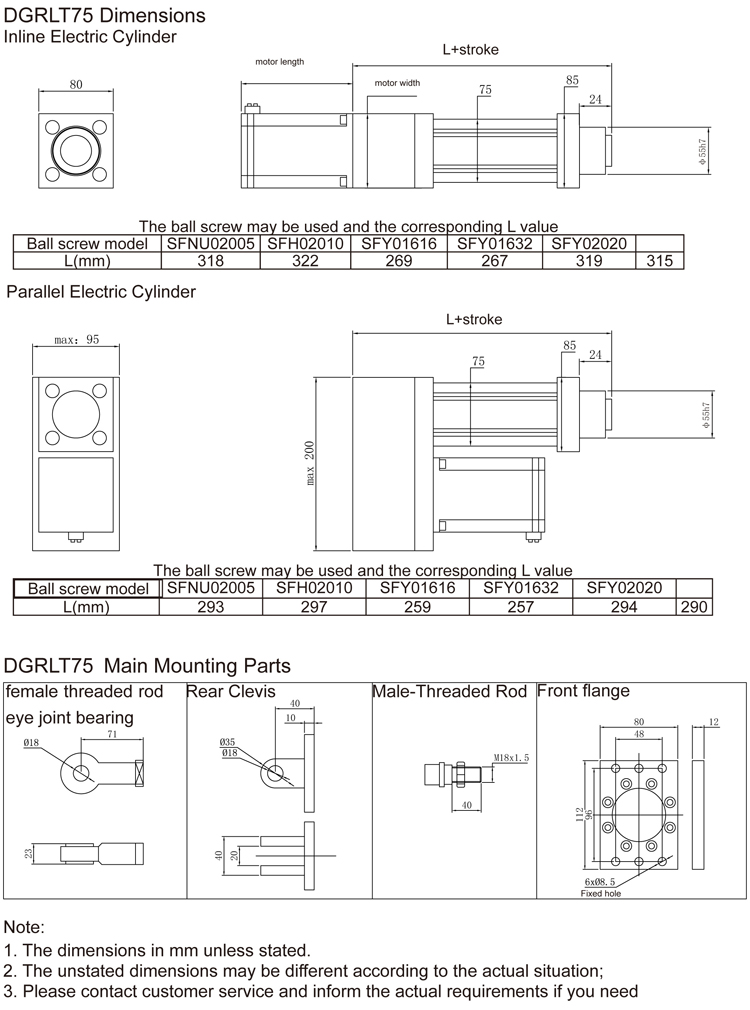
DGRLT75 Electric Linear Actuator for Solar Tracking System Technical Data
| Product Series | DGRLT75 | |||||
| Screw lead / pitch (mm) | 5 | 10 | 16 | 20 | 32 | 40 |
| Max. Power of Motor (W) | 1000 | |||||
| Max. Rated Thrust (N) | 5000(N)=1124(lb) | 2000(N)=499.6(lb) | 3000(N)=674.4(lb) | |||
| Max. Speed (mm/s) | 250(mm/s)=9.8(inch/s) | 500(mm/s)=19.6(inch/s) | 800(mm/s)=31.5(inch/s) | 667(mm/s)=26.2(inch/s) | 1000(mm/s)=39.4(inch/s) | |
| Max. stroke (mm) | 1500(mm)=39.4(inch) | |||||
| Rated Driving Torque (N.m) | 4.2 | 8.5 | 14 | 17 | 28 | 35 |
| Max. Ball Screw Diameter (mm) | 20 | 20 | 16 | 20 | 16 | 20 |
| Rated Dynamic Load of Ball Screw (kgf) | 1551 | 1516 | 1073 | 1387 | 493 | 653 |
| Axial Backlash (mm) | 0.02-0.04 | |||||
| Lead Error Every 300mm (mm) | 0.023 | |||||
| Repeatability Accuracy (mm) | 0.02 | |||||
Note: If you require beyond the specification chart above, please contact us directly, we can able to customize according to customers’ requirements on the load (up to 20 ton), speed(up to 2000mm/s) and stroke (up to 2800mm).If the Max. stroke exceeds 500mm, it is recommended to add a guiding device;The max. thrust and the max. speed can not be reached at the same time. Different motor and gear boxes will be used.If you need to know the ball screw life, please contact customer service for detailed consultation;Note:
DGRLT75 1500mm 5KN Electric Linear Actuator Motor Selection List
| Product Series | DGRLT75 |
| Flange Size of Optional Servo Motor Series (mm) | 86/ 90 |
| Flange Size of Optional Stepper Motor Series (mm) | 86 |
| Flange Size of Optional Gear Box Series (mm) | 90 |
Note:
1.DGR electric cylinder servo motor brands include Panasonic, Mitsubishi, Yaskawa, Delta, Syntron, Motec, and Tuoda;
2.DGR electric cylinder stepper motor brands include Japan Samsr, Leadshine, MOONS’, etc;
3.The DGR electric cylinder gear box brands include Nidec-Shimpo, Taiwan KunTai, Taiwan Li Ming, and Shanghai Jinmo;
4.The cylinder can be equiped with a motor or gear box, and the motor brands and gear box brands can be designated by the customers, please kindly contact our sales for more detailed information;







